Più grande
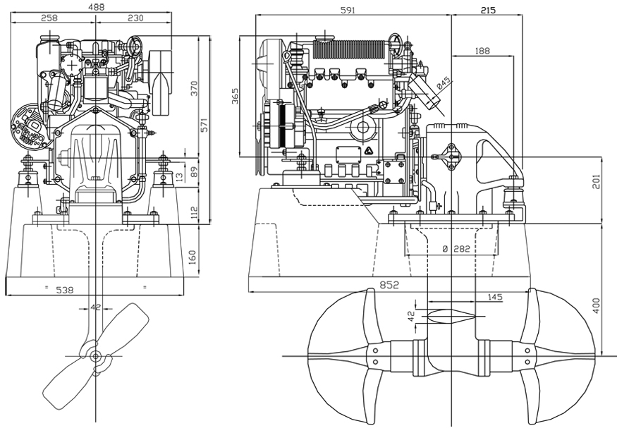
Motore marino entrobordo diesel a 4 tempi con sistema di trasmissione Saildrive. Questo motore Lombardini Marine a 3 cilindri da 30 hp, con raffreddamento a liquido tramite scambiatore di calore, per robustezza ed affidabilità, oltre che per compattezza e leggerezza, trova la sua ideale collocazione su imbarcazioni a vela e da regata, grazie soprattutto all’innovativo sistema di trasmissione a piede S-Drive.
Ricambi motore Lombardini Marine LDW 1003 SD
| Cilindri | 3 |
| Alesaggio x corsa (mm) | 75x77.6 |
| Cilindrata (cm3) | 1028 |
| Potenza Max HP | 30 |
| Potenza Max KW | 22.1 |
| Potenza Elica HP | 28 |
| Potenza Elica KW | 20.6 |
| Rapporto di compressione | 22.8:1 |
| Peso (kg) | 141 |
| Giri/min | 3600 |

